
De STM8S103F3P6 är en 8-bitars mikrokontroller tillverkad av STMicroelectronics, känd för sin imponerande funktionalitet och sömlösa integration.Denna kompakta enhet är utrustad med en ytmonterad enhet (SMD) monteringsstil, som utgör en avancerad kärna och kringutrustning som är noggrant tillverkade med hjälp av banbrytande teknik.Med en klockfrekvens på 16 MHz har STM8S103F3P6 en robust I/O -kapacitet, vilket säkerställer effektiv databehandling och hantering.Dess oberoende vakthundstimer, utrustad med en oberoende klockkälla och klocksäkerhetssystem, garanterar optimal enhetsprestanda och motståndskraft mot potentiella störningar.
En av dess framstående funktioner är dess flashminne, som ger icke-flyktig lagring för kod och data.Med ett driftsspänningsområde som sträcker sig från 2,95 V till 5,5 V är denna mikrokontroller mycket mångsidig och anpassningsbar till olika applikationer.Dessutom erbjuder det ett brett driftstemperaturintervall från -40 ° C till 85 ° C, vilket gör det lämpligt för utplacering i olika miljöförhållanden.
• MSP430G2353
• PIC16LF18444T
• STM8S103F3P3
• STM8S103F3P3TR
• STM8S103F3P6TR


Låg effektförbrukning: Den har en mängd låga effektförbrukningslägen att välja mellan, inklusive tomgångsläge, viloläge, djupt viloläge och OFF -läge, vilket effektivt kan förlänga batteriets livslängd och spara energi.
Högprestanda: Den antar högpresterande STM8-kärnarkitektur, vilket gör att driftsfrekvensen kan vara så hög som 16MHz, vilket kraftigt förbättrar instruktionens exekveringshastighet och ger effektivare datorfunktioner för våra applikationer.
Flera kommunikationsgränssnitt: Det stöder en mängd kommunikationsgränssnitt inklusive SPI (seriellt perifert gränssnitt), I2C och UART.Genom dessa gränssnitt kan det enkelt kommunicera och interagera med externa enheter för att uppnå fler funktioner och applikationer.
Överflödiga kringutrustning: STM8S103F3P6 Mikrokontroller har rikliga perifera resurser, inklusive 16 kB flashminne och 1 kB RAM -minne, samt vanligt använda gränssnitt såsom GPIO -stift, timer och UART.Mångfalden i dessa kringutrustning gör enheten lämplig för olika applikationsscenarier och kan tillgodose behoven hos olika områden och branscher.Oavsett om det är industriell kontroll, smart hem eller inbäddade system, kan STM8S103F3P6 ge stöd.

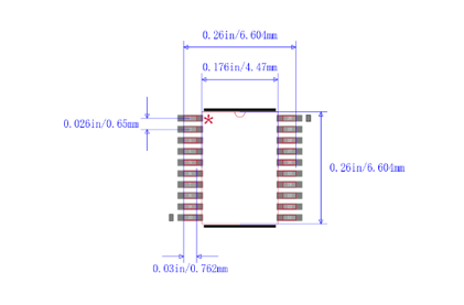
STM8S103F3P6 är förpackad i ett tunt krympande litet dispositionpaket (TSSOP) och har 20 stift.Kroppen och blyavståndet är mindre än standard SOIC -paket.Ett typiskt drag i TSSOP är bildandet av stift runt det förpackade chipet, vilket gör det lämpligt för montering av ledningar på PCB med SMT -teknik.Vid användning av TSSOP-paket är parasitparametrarna (utgångsspänningsstörning orsakad av stora strömförändringar) mindre, så det är lämpligt för högfrekventa applikationer.Denna typ av paket är mer bekvämt att använda och har högre tillförlitlighet.
TSSOP -paketet har följande funktioner:
• Små stiftavstånd: Stiftavståndet är i allmänhet 0,5 mm eller 0,65 mm.Genom utformningen av kretskort kopparstänger kan fler enheter placeras på kretskortet med samma område och storlek.
• Brett tillämpningsområde: Det kan tillämpas på olika applikationsfält såsom mikrokontroller, DSP: er, minneschips och strömförsörjningschips.
• Räkning med högt stift: Antalet stift är i allmänhet cirka 20 till 64, vilket kan uppfylla vissa Chip -integrationskrav.
• Liten paketstorlek: Jämfört med vanliga små disposition (SO) -paket är paketstorleken mindre, tjockleken är tunnare och volymen är mindre, vilket gör den lämplig för förpackning av integrerade kretsar med hög täthet.
• Hög prestanda: Den antar ytmonteringsteknologi, har god konduktivitet och korrosionsmotstånd och kan uppfylla speciella krav som hög hastighet, högfrekvens, miniatyrisering och så vidare.
Om inget annat anges hänvisas alla spänningar till VSS.
Minsta och maximala värden garanteras under de mest negativa förhållandena, som omfattar omgivningstemperatur, matningsspänning och frekvenser.Dessa garantier upprättas genom rigorösa produktionstester utförda på 100% av enheterna, genomförda vid en omgivningstemperatur på TA = 25 ° C och TA = TAMAX (enligt definitionen av det valda temperaturområdet).
Värden baserade på karakteriseringsresultat, designsimuleringar och/eller tekniska egenskaper beskrivs i tabellfotnoterna och har inte genomgått produktionstestning.Beträffande karakterisering avser minimi- och maximivärdena på provbedömningar och betecknar medelvärdet med ett intervall av plus eller minus tre gånger standardavvikelsen (medelvärde ± 3σ).
Om inte annat uttryckligen anges, upprättas standarddata med TA = 25 ° C, VDD = 5 V. Dessa värden tillhandahålls enbart som designreferenser och har inte genomgått testning.
Den typiska noggrannheten för ADC -värden upprättas genom karakterisering av en uppsättning prover från ett standarddiffusionsparti över hela temperaturområdet.I detta sammanhang uppvisar 95% av enheterna ett fel inom det angivna värdet (medelvärde ± 2σ).
Om inte specifikt anges, är alla standardgrafer avsedda enbart som designreferenser och inte har varit föremål för testning.
Överskridande av de angivna absoluta maximala betyg kan leda till permanent skada på enheten.Dessa betyg indikerar enbart gränserna för stress som enheten kan uthärda, och det antyds inte att enheten kommer att fungera korrekt under dessa förhållanden.Exponering för förhållanden vid eller nära de maximala betyg kan påverka enhetens tillförlitlighet negativt.
Enhetens uppdragsprofil, som beskriver dess tillämpningsvillkor, följer JEDEC JESD47 -kvalifikationsstandarden, med utökade uppdragsprofiler tillgängliga på begäran.
För att uppnå stabilitet för den primära regulatorn bör en extern kondensator märkt CEXT anslutas till VCAP -stiftet.Det är viktigt att se till att seriens induktans förblir under 15 NH.
Den nuvarande konsumtionen mäts såsom illustreras på följande bild.

Total leverantörskonsumtion i körläge i körläge
MCU placeras under följande villkor:
• Alla kringutrustning är inaktiverade (klocka stoppas av perifera klockgrindningsregister) förutom om de uttryckligen nämns.
• Alla I/O -stift i ingångsläge med ett statiskt värde vid VDD eller VSS (ingen belastning)
Med förbehåll för allmänna driftsförhållanden för VDD och TA.

STM8S103F3P6 har 20 stift, dess stiftnamn och funktioner är följande:
PIN1 (PD4/ PEP/ TIM2_ CH1/ UART1 _CK): Port D4
PIN2 (PD5/ AIN5/ UART1 _TX): Port D5
PIN3 (PD6/ AIN6/ UART1 _RX): Port D6
Pin4 (NRST): Återställ
Pin5 (PA1/Oscin): Port A1
PIN6 (PA2/OSCOUT): Port A2
Pin7 (VSS): Digital mark
Pin8 (VCAP): 1,8 V regulatorkondensator
PIN9 (VDD): Digital strömförsörjning
PIN10 (PA3/ TIM2_ CH3 [SPI_ NSS]): Port A3
Pin11 (PB5/ I2C_ SDA [Tim1_ Bkin]): Port B5
PIN12 (PB4/ I2C_ SCL): Port B4
PIN13 (PC3/ TIM1_CH3 [TLI] [TIM1_ CH1N]): Port C3
PIN14 (PC4/ CLK_CCO/ TIM1_ CH4/ AIN2/ [TIM1_ CH2N]): Port C4
PIN15 (PC5/ SPI_SCK [TIM2_ CH1]): Port C5
PIN16 (PC6/ SPI_MOSI [TIM1_ CH1]): Port C6
PIN17 (PC7/ SPI_MISO [TIM1_ CH2]): Port C7
PIN18 (PD1/ SWIM): Port D1
PIN19 (PD2/ AIN3/ [TIM2_ CH3]): Port D2
PIN20 (PD3/ AIN4/ TIM2_ CH2/ ADC_ ETR): Port D3
Som visas i figuren ovan har STM8S103F3P6 -chipet upp till 16 I/O -stift, som kan användas för en mängd olika ändamål, såsom GPIO, perifera gränssnitt, ADC, etc. ITS I/O -stift är dubbelriktade och kan varaAnvänds som inmatningsstift för att läsa externa signaler eller som utgångsstift för att skicka signaler till externa enheter.Dessutom kan varje I/O -stift tilldelas en avbrottsvektor för att underlätta korrekt behandling av avbrott när de inträffar.
• Automationssystem: Denna mikrokontroller kan användas i automatiseringssystem som elektriska gardiner, åtkomstkontrollsystem, temperaturkontroll och belysningskontroll.
• IoT (Internet of Things) -applikation: Om vi behöver utveckla IoT -enheter kan den användas som en styrenhet för IoT -noder för att ansluta och styra olika sensorer och kommunikationsmoduler.
• Personliga elektroniska enheter: Används i digitalkameror, MP3- och MP4 -spelare, elektroniska spelkonsoler, etc.
• Elektronisk utrustning: Används för att utveckla olika elektroniska utrustning
, såsom elektroniska leksaker, fjärrkontroller, mini -kalkylatorer etc.
• Industrifält: Används i PLC, industriella styrenheter, processautomation och utrustning för automatisk kontroll, etc.
• Datainsamling och sensorgränssnitt: Används för att övervaka miljöförhållanden och samla in data eller för att ansluta olika sensorer som ljussensorer, temperatursensorer och fuktighetssensorer.
• Inbäddat styrsystem: Används för att utforma olika inbäddade styrsystem, såsom hushållsapparater, industriutrustning, elverktyg etc. Dess 8-bitars processkraft är tillräcklig för många enkla kontrolluppgifter.
STM8S103F3P6 är ett mikrokontrollchip utvecklat av STMicroelectronics.Den tillhör STM8-familjen med 8-bitars mikrokontroller och används allmänt i olika inbäddade system och IoT-applikationer.
STM8S103F3P6 Microcontroller-enhet har 640 bitars ROM, 10-bitars 5-kanaler ADC, 1KB RAM och med en programminnestorlek på 8KB.
Vi kan ersätta STM8S103F3P6 med MSP430G2353, PIC16LF18444T, STM8S103F3P3, STM8S103F3P3TR eller STM8S103F3P6TR.
Ja, STM8S103F3P6 är utformad med lågeffektfunktioner och kan användas i batteridrivna eller lågeffektapplikationer där energieffektiviteten är väsentlig.
Några viktiga funktioner i STM8S103F3P6 inkluderar GPIO (General Purpose Input/Output) Pins, UART (Universal Asynchronous Mottagare/sändare) Kommunikation, I2C (Inter-Integrated Circuit) Kommunikation, SPI (Serial Peripheral Interface) Kommunikation, timers och mer.
OM OSS
Kundnöjdhet varje gång.Ömsesidigt förtroende och gemensamma intressen.
Tekniska specifikationer för litiummyntcell CR2354
2024-08-02
Omfattande guide till Atmega328-PU Microcontroller
2024-08-02
E-post: Info@ariat-tech.comHK TEL: +852 30501966LÄGG TILL: Rm 2703 27F Ho King Comm Center 2-16,
Fa Yuen St MongKok Kowloon, Hong Kong.